Zum Hauptinhalt springen Zur Suche springen Zur Hauptnavigation springen
Fax: 08106 3489217      info@schliessershop.com

KWS 1063 - 1066 Federfeststeller

KWS 1063 / 1064 / 1065 / 1066 Federfeststeller

Kompakte Türfeststeller mit Feststellfeder aus Federstahl. Vier Varianten mit unterschiedlichen Kloben: Einmauern Wand (1063), Anschrauben (1064), Einmauern Boden (1065), Andübeln (1066). Für leichte Türen bis 20–25 kg.


Kurz & Knapp

  • Federfeststeller mit Feststellfeder aus Federstahl und Rollen aus Kunststoff
  • Vier Kloben-Varianten: Einmauern Wand (1063), Anschrauben (1064), Einmauern Boden (1065), Andübeln (1066)
  • Material: Aluminium, Abzugskraft 200 N
  • Max. Türgewicht: 25 kg (1063/1064) bzw. 20 kg (1065/1066)
  • Verpackungseinheit: 10 Stück
  • Türschließer-kompatibel

Produktbeschreibung

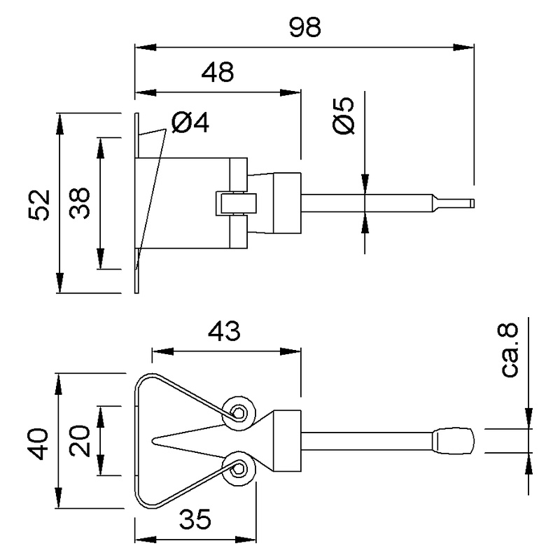
Die KWS 1063/1064/1065/1066 sind kompakte Federfeststeller für leichte Türen. Der Feststeller wird mit größtmöglichem Abstand zum Türband auf das Türblatt geschraubt (Schraublöcher senkrecht). Die Arretierung erfolgt durch Andrücken der Tür gegen den Kloben — die Feststellfeder greift in den Kloben ein. Zum Lösen wird die Tür vom Kloben abgezogen.

Die vier Modelle unterscheiden sich ausschließlich in der Kloben-Montage:

  • KWS 1063: Kloben zum Einmauern in die Wand
  • KWS 1064: Kloben zum Anschrauben
  • KWS 1065: Kloben zum Einmauern in den Boden
  • KWS 1066: Kloben zum Andübeln

Die Federfeststeller bestehen aus Aluminium mit einer Feststellfeder aus Federstahl und Rollen aus Kunststoff. Das extrem geringe Gewicht (25–50 g) und die kompakte Bauform ermöglichen eine unauffällige Montage. Geliefert wird in Verpackungseinheiten zu 10 Stück.


Funktionsprinzip

Der Federfeststeller-Mechanismus arbeitet rein mechanisch mit einer Feststellfeder aus Federstahl:

  • Feststellen: Die Tür wird in geöffneter Position gegen den Kloben gedrückt. Die Feststellfeder mit Kunststoffrollen rastet über den Kloben ein und arretiert die Tür.
  • Lösen: Die Tür wird vom Kloben abgezogen. Die Feststellfeder gibt den Kloben frei. Die Abzugskraft beträgt 200 N.

Die Kunststoffrollen sorgen für leichtgängiges Ein- und Ausrasten und minimieren den Verschleiß an Feder und Kloben.


Vorteile

  • Extrem kompakt und leicht — Nur 25–50 g je nach Modell, unauffällige Montage
  • Vier Kloben-Varianten — Für jede Einbausituation die passende Befestigung
  • 200 N Abzugskraft — Zuverlässige Haltekraft für leichte Türen
  • Kunststoffrollen — Leichtgängig, verschleißarm, geräuscharm
  • Türschließer-kompatibel — Einsatz in Kombination mit Türschließern möglich
  • 10er-Verpackung — Wirtschaftlich bei Projekten mit mehreren Türen

Einsatzbereich

Die KWS Federfeststeller eignen sich für leichte Drehtüren in folgenden Anwendungsbereichen:

  • Leichte Innentüren bis 20–25 kg (je nach Modell)
  • Zimmertüren in Wohngebäuden
  • Büros und Praxisräume
  • Schrankklappen und Schranktüren
  • Möbeltüren (bei ausreichender Materialstärke)

KWS 1063/1064 (Wandkloben): Bis 25 kg. KWS 1065/1066 (Bodenkloben): Bis 20 kg.


Technische Daten

EigenschaftKWS 1063 / 1064KWS 1065 / 1066
TypFederfeststellerFederfeststeller
FunktionsprinzipFeststellfeder, Andrücken/AbziehenFeststellfeder, Andrücken/Abziehen
Abzugskraft200 N200 N
Max. Türgewicht25 kg20 kg
Material FeststellerAluminiumAluminium
FeststellfederFederstahlFederstahl
RollenKunststoffKunststoff
Kloben 1063/1065Einmauern WandEinmauern Boden
Kloben 1064/1066AnschraubenAndübeln
Gewicht 10630,050 kg
Gewicht 10640,050 kg
Gewicht 10650,030 kg
Gewicht 10660,025 kg
Verpackungseinheit10 Stück10 Stück
Türschließer-kompatibelJaJa

Material & Oberflächen

Aluminium

AusführungBeschreibung
.02Silberfarbig einbrennlackiert
.03Schwarz einbrennlackiert

Feststellfeder aus Federstahl. Rollen aus Kunststoff.


Variantenübersicht

ModellKloben-MontageEinbauortMax. TürgewichtGewicht
KWS 1063EinmauernWand25 kg0,050 kg
KWS 1064AnschraubenWand25 kg0,050 kg
KWS 1065EinmauernBoden20 kg0,030 kg
KWS 1066AndübelnBoden20 kg0,025 kg

Alle vier Varianten verwenden denselben Feststeller-Mechanismus (Feststellfeder aus Federstahl mit Kunststoffrollen). Der Unterschied liegt in der Kloben-Befestigung und dem maximalen Türgewicht.


Vergleich: Leichte Türfeststeller von KWS

EigenschaftKWS 1063/1064/1065/1066KWS 1056/1057KWS 1055
TypFederfeststellerKugelschnapperKugelschnapper
Abzugskraft200 N80–220 N (regulierbar)80–220 N (regulierbar)
Max. Türgewicht20–25 kg80 kg80 kg
Kugeldruck regulierbarNeinJa (Stellschrauben)Ja (Stellschrauben)
MaterialAluminiumAluminium (Stahl)Aluminium/Messing
Gewicht25–50 g210 g150–220 g
VE10 Stück5 Stück1 Stück
BesonderheitExtrem kompakt, für leichte TürenEinmauerklob., unsichtbarAufschraubkloben

Montagehinweise

Feststeller (Türmontage)

Den Feststeller mit größtmöglichem Abstand zum Türband auf das Türblatt schrauben. Die Schraublöcher müssen senkrecht ausgerichtet sein. Größerer Abstand zum Band erhöht die Haltekraft.

Kloben-Montage

  • KWS 1063: Kloben in die Wand einmauern
  • KWS 1064: Kloben an die Wand schrauben
  • KWS 1065: Kloben in den Boden einmauern
  • KWS 1066: Kloben in den Boden dübeln

Bei allen Varianten: Den Kloben so positionieren, dass die Feststellfeder bei gewünschtem Öffnungswinkel sicher in den Kloben einrastet.


Lieferumfang

  • 10× KWS Federfeststeller
  • 10× Kloben (je nach Modell: Einmauern Wand, Anschrauben, Einmauern Boden oder Andübeln)

Verpackungseinheit: 10 Stück.


Einsatz mit Türschließer

Die KWS Federfeststeller sind mit Türschließern kombinierbar, sofern die Schließkraft des Türschließers die Abzugskraft von 200 N nicht übersteigt. Aufgrund der maximalen Türgewichte von 20–25 kg kommen primär leichte Türschließer (EN 1–2) in Frage.

Hinweis: Für schwere Türen mit starken Türschließern sind Feststeller mit höherer Tragfähigkeit erforderlich (z. B. KWS 1056/1057 bis 80 kg).


Normen & Richtlinien

  • Türfeststeller für manuelle Betätigung (Andrücken/Abziehen)
  • Nicht für Brandschutz- oder Rauchschutztüren geeignet (keine bauaufsichtliche Zulassung als Feststellanlage)
  • Ausschließlich für leichte Türen bis 20–25 kg ausgelegt

Häufige Fragen zu KWS 1063 / 1064 / 1065 / 1066

Welches Modell brauche ich?
Das hängt vom Einbauort des Klobens ab: Wand einmauern (1063), Wand anschrauben (1064), Boden einmauern (1065), Boden andübeln (1066). Der Feststeller selbst ist bei allen Varianten identisch.


Warum haben 1065 und 1066 weniger Tragkraft als 1063 und 1064?
Die Bodenkloben-Varianten (1065/1066) sind für max. 20 kg ausgelegt, die Wandkloben-Varianten (1063/1064) für max. 25 kg. Der Unterschied resultiert aus der Krafteinleitung: Wandkloben nehmen die Abzugskraft günstiger auf.


Kann ich die Abzugskraft regulieren?
Nein. Die Abzugskraft der Federfeststeller beträgt fest 200 N. Für regulierbare Abzugskraft sind die Kugelschnapper-Feststeller KWS 1055, 1056 oder 1057 (80–220 N) geeignet.


Wie schwer dürfen die Türen maximal sein?
KWS 1063 und 1064: max. 25 kg. KWS 1065 und 1066: max. 20 kg. Für schwerere Türen sind Kugelschnapper (KWS 1055/1056/1057, bis 80 kg) oder Fanghaken-Feststeller (KWS 1010, bis 100 kg) geeignet.


Warum werden die Feststeller in 10er-Packungen geliefert?
Die kompakten Federfeststeller werden typischerweise in größerer Stückzahl für Projekte mit mehreren leichten Türen eingesetzt. Die 10er-Verpackung ist für gewerbliche Abnehmer wirtschaftlich.


Sind die Schraublöcher am Feststeller waagerecht oder senkrecht?
Die Schraublöcher müssen senkrecht ausgerichtet sein. Darauf bei der Montage achten.


Funktionieren die Federfeststeller mit Türschließer?
Ja, sofern der Türschließer zur leichten Tür passt (EN 1–2). Starke Türschließer können die Abzugskraft von 200 N übersteigen.


Sind die Rollen austauschbar?
Die Kunststoffrollen sind Teil des Feststellers und nicht einzeln austauschbar. Bei Verschleiß ist der gesamte Feststeller zu ersetzen.


Kaufberatung: Feststeller für leichte Türen

Federfeststeller oder Kugelschnapper — was ist der Unterschied?
Federfeststeller (KWS 1063–1066) sind extrem kompakt und leicht (25–50 g), eignen sich aber nur für Türen bis 20–25 kg. Kugelschnapper (KWS 1055–1057) sind größer, bieten regulierbare Abzugskraft und tragen bis 80 kg.


Einmauern, Anschrauben oder Andübeln — welche Montage?
Einmauern (1063, 1065) ergibt ein bündiges Erscheinungsbild, erfordert aber Mauerarbeiten. Anschrauben (1064) und Andübeln (1066) eignen sich für Nachrüstungen und wenn die Bausubstanz nicht geöffnet werden soll.


Wann sind Federfeststeller die richtige Wahl?
Bei leichten Innentüren (Zimmertüren, Schrankklappen) bis 20–25 kg, wenn eine unauffällige, platzsparende Lösung gewünscht ist. Für schwerere Türen oder stärkere Haltekraft sind Kugelschnapper oder Fanghaken-Feststeller besser geeignet.


Darf ein Federfeststeller an Brandschutztüren eingesetzt werden?
Nein. Mechanische Türfeststeller sind nicht für Brandschutz- oder Rauchschutztüren zugelassen. Dafür werden bauaufsichtlich zugelassene Feststellanlagen mit Rauchmelderauslösung benötigt.

Passende Türschließer: dormakaba TS 93, dormakaba TS 98 XEA, GEZE TS 5000 Feststellanlage. Türfeststeller halten die Tür offen — der Türschließer sorgt für das kontrollierte Schließen.


Verwandte Produkte

ArtikelBeschreibung
KWS 1055Kugelschnapper mit Anschraubkloben — für Türen bis 80 kg, regulierbare Abzugskraft
KWS 1056 / 1057Kugelschnapper mit Einmauerkloben — für Türen bis 80 kg, Wand- oder Bodenmontage
KWS 1013Türfeststeller mit Feststellwippe — für Türen bis 50 kg, Bodenmontage
KWS 1032 / 1034Tretbolzen 30/50 mm Hub — für Türen bis 40 kg, Fußbetätigung
Produktgalerie überspringen

Auch angesehen

KWS 1072 Federfeststeller Stahl silberfarbig
KWS 1072 Federfeststeller Stahl

KWS 1072 Federfeststeller Stahl Kurz & Knapp Federfeststeller mit Stahl-Kloben und Stahl-Grundplatte — robuste Ausführung Abzugskraft 70 N, max. Türgewicht 50 kg Feststeller und Kloben zum Anschrauben Freie Betätigung: Andrücken arretiert, Abziehen löst Türschließer verwendbar Produktbeschreibung Der KWS 1072 ist ein Federfeststeller mit Kloben und Grundplatte aus Stahl. Er eignet sich für Innentüren bis 50 kg Türgewicht. Die Feststellfeder besteht aus Federstahl, die Grundkonstruktion ist komplett aus Stahl gefertigt. Im Unterschied zu den Messing-Varianten KWS 1067/1068 hat der KWS 1072 eine niedrigere Abzugskraft von 70 N. Die Tür wird durch einfaches Andrücken an den Wandkloben arretiert und durch Abziehen wieder gelöst. Beide Teile — Feststeller und Kloben — werden angeschraubt. Mit 0,200 kg Gewicht in der Aluminium-Ausführung ist der KWS 1072 ein kompakter Feststeller für leichte bis mittlere Anwendungen. Funktionsprinzip Der KWS 1072 arbeitet nach dem Federklammer-Prinzip: Arretieren: Tür mit dem Feststeller gegen den Wandkloben drücken. Die Federstahl-Klammer greift in den Stahl-Kloben ein und hält die Tür fest. Lösen: Tür vom Kloben abziehen. Die erforderliche Abzugskraft beträgt 70 N. Die Bedienung erfolgt werkzeuglos durch einfaches Andrücken und Abziehen. Vorteile Stahl-Konstruktion — Kloben und Grundplatte aus robustem Stahl Niedrige Abzugskraft — 70 N ermöglichen leichtes Lösen, auch für ältere Personen Anschraubmontage — Feststeller und Kloben werden einfach angeschraubt Türschließer-kompatibel — Für Türen mit Schließvorrichtung geeignet Kompakt und leicht — 0,200 kg, dezente Erscheinung Einfache Bedienung — Andrücken arretiert, Abziehen löst Einsatzbereich Innentüren bis 50 kg Türgewicht Türen ohne Türschließer oder mit leichten Türschließern Wohnungstüren, leichte Bürotüren Anwendungen, bei denen eine niedrige Abzugskraft gewünscht ist Nicht geeignet für Brandschutztüren mit Feststellvorrichtung nach DIN 14677 Technische Daten EigenschaftWert FunktionsprinzipFederklammer (Andrücken/Abziehen) Abzugskraft70 N Max. Türgewicht50 kg Material FeststellerAluminium FeststellfederFederstahl Kloben / GrundplatteStahl Gewicht0,200 kg Verpackungseinheit10 Stück Montage FeststellerAnschrauben an Tür Montage KlobenAnschrauben an Wand (4 Schrauben) Türschließer-kompatibelJa Material & Oberfläche BauteilMaterial Feststeller-GehäuseAluminium FeststellfederFederstahl KlobenStahl GrundplatteStahl Ausführungen EndungOberfläche .02Stahl, silberfarbig einbrennlackiert .03Stahl, schwarz einbrennlackiert Montagehinweise Feststeller bei größtmöglichem Abstand zum Türband an die Tür schrauben Schraubenlöcher senkrecht positionieren Kloben an entsprechender Stelle mit vier Schrauben an der Wand befestigen Sicherstellen, dass Feststeller und Kloben mittig zueinander ausgerichtet sind Lieferumfang 1 x KWS 1072 Federfeststeller 1 x Stahl-Kloben zum Anschrauben Befestigungsmaterial Montageanleitung Verpackungseinheit: 10 Stück. Kombination mit Türschließern Der KWS 1072 ist für Türen mit Schließvorrichtung (Türschließer) geeignet. Die Abzugskraft von 70 N reicht für leichte Türschließer aus. Bei stärkeren Türschließern (z. B. EN-Größe 3 und höher) sollten Federfeststeller mit höherer Abzugskraft geprüft werden, etwa der KWS 1067/1068 mit 280 N. Maximales Türgewicht von 50 kg beachten. Normen & Richtlinien Detaillierte Angaben zu anwendbaren Normen entnehmen Sie dem aktuellen KWS-Katalog und den technischen Datenblättern. Hinweis: Der KWS 1072 ist kein zugelassenes Feststellsystem im Sinne der DIN 14677 und darf nicht als Feststellanlage an Brandschutztüren eingesetzt werden. Häufige Fragen Worin unterscheidet sich der KWS 1072 von den Modellen 1067/1068?Der KWS 1072 hat einen Stahl-Kloben und eine niedrigere Abzugskraft (70 N). Die Modelle 1067/1068 haben Messing-Kloben mit 280 N Abzugskraft. Der KWS 1072 ist für leichtere Anwendungen gedacht, die 1067/1068 für schwerere Türen und höheren Haltedruck. Reichen 70 N Abzugskraft für Türen mit Türschließer?Für leichte Türschließer (EN-Größe 1–2) ja. Bei stärkeren Türschließern empfiehlt sich der KWS 1067/1068 mit 280 N Abzugskraft. Warum ist der KWS 1072 nur in Stahl erhältlich?Der KWS 1072 ist als wirtschaftliche Stahl-Variante konzipiert. Für Messing-Ausführungen stehen die Modelle KWS 1067/1068 zur Verfügung. Wie wird die Tür arretiert?Tür mit dem Feststeller gegen den Wandkloben drücken. Die Federstahl-Klammer greift ein und hält die Tür. Zum Lösen die Tür abziehen (70 N Kraft erforderlich). Wo wird der Kloben montiert?Der Stahl-Kloben wird mit vier Schrauben an der Wand befestigt, an der Stelle, wo die Tür offen stehen soll. Kann der KWS 1072 an Brandschutztüren eingesetzt werden?Nein. Der KWS 1072 ist kein zugelassenes Feststellsystem nach DIN 14677 und darf nicht an Brandschutztüren eingesetzt werden. Kaufberatung Türfeststeller KWS 1072 oder KWS 1067/1068 — welchen Federfeststeller wählen?Der KWS 1072 (Stahl, 70 N) ist die wirtschaftliche Variante für leichte Anwendungen. Die KWS 1067/1068 (Messing-Rollen, 280 N) bieten deutlich höhere Haltekraft und eignen sich besser für Türen mit Türschließer oder bei starker Zugluft. Federfeststeller oder Tretbolzen — was eignet sich besser?Federfeststeller (KWS 1072) arretieren die Tür automatisch beim Andrücken an den Kloben — aber nur in einer festen Position. Tretbolzen (z. B. KWS 1032) ermöglichen stufenloses Feststellen in jedem Öffnungswinkel. Federfeststeller eignen sich besonders, wenn die Tür immer an derselben Stelle offen stehen soll. Ist der KWS 1072 für Außentüren geeignet?Der KWS 1072 mit Stahl-Komponenten (einbrennlackiert) ist primär für den Innenbereich konzipiert. Im Außenbereich ist mit Korrosion zu rechnen — hier sind Edelstahl-Varianten vorzuziehen. Welche Alternative für Türen über 50 kg?Für schwerere Türen bis 80 kg eignen sich Bodenfeststeller wie der KWS 1073. Für Türen bis 100 kg den KWS 1051/1052 mit Fanghaken prüfen. Passende Türschließer: dormakaba TS 93, dormakaba TS 98 XEA, Türschließer TS 5000 mit mechanischer Feststellung. Türfeststeller halten die Tür offen — der Türschließer sorgt für das kontrollierte Schließen.

Regulärer Preis: 33,71 €
DORMA BTS 75 V Bodentürschließer Feststellung 105° EN 1-4
DORMA BTS 75 V ohne Feststellung

DORMA BTS 75 V — Universal-Bodentürschließer EN 1-4 Verdeckter Bodentürschließer mit integrierter Montagelibelle für Normal-, Schmal- und Breittüren. Kurz & Knapp Universal-Bodentürschließer EN 1-4, verdeckter Einbau im Boden Für Türblattbreiten bis 1.100 mm, Normal-, Schmal- und Breittüren Integrierte Montagelibelle für präzise Ausrichtung DIN-Links, DIN-Rechts und Pendeltüren universell Serienmäßige Öffnungsdämpfung (Backcheck) Varianten: mit Feststellung 90° | mit Feststellung 105° Produktbeschreibung Der DORMA BTS 75 V ist ein universeller Bodentürschließer für den verdeckten Einbau. Die gesamte Mechanik verschwindet im Boden — sichtbar bleibt nur die Deckplatte. Diese Lösung eignet sich für architektonisch anspruchsvolle Projekte, bei denen ein Obentürschließer das Erscheinungsbild stören würde. Der BTS 75 V deckt mit EN 1-4 Türblattbreiten bis 1.100 mm ab. Er ist universell für DIN-Links, DIN-Rechts und Pendeltüren einsetzbar. Die integrierte Montagelibelle erleichtert die exakte Positionierung im Rohbau. Die serienmäßige Öffnungsdämpfung schützt die Tür vor unkontrolliertem Aufreißen. Zwei Schließgeschwindigkeitsbereiche sind getrennt einstellbar. Vorteile & Besonderheiten Verdeckter Einbau — unsichtbar im Boden, nur Deckplatte sichtbar Universal — DIN-L, DIN-R, Pendeltüren, Normal-/Schmal-/Breittüren Integrierte Montagelibelle — präzise Ausrichtung bei der Montage Öffnungsdämpfung serienmäßig — schützt Tür und Wand Barrierefreiheit — DIN SPEC 1104, leichtes Türöffnen Technische Daten EigenschaftWert SchließkraftEN 1-4, stufenlos einstellbar Max. Türblattbreite1.100 mm EinbauartVerdeckt im Boden (Zementmörtelkasten) ÖffnungsdämpfungSerienmäßig (Backcheck) Schließgeschwindigkeit2 Bereiche, getrennt einstellbar AnschlagrichtungDIN-L, DIN-R, Pendeltür universell TürartenNormal-, Schmal- und Breittüren FeststellungNein (siehe Varianten mit 90° / 105°) MontagelibelleIntegriert NormenDIN EN 1154, DIN SPEC 1104 Montage Der BTS 75 V wird im Rohbau in einen Zementmörtelkasten eingesetzt. Die integrierte Montagelibelle sorgt für die exakte horizontale Ausrichtung. Nach dem Vergießen wird die Deckplatte aufgesetzt. Zementmörtelkasten — im Rohboden einlassen Schließkörper — in den Kasten einsetzen, per Libelle ausrichten Deckplatte — nach Fertigfußboden bündig aufsetzen Spindel + Türhebel — Verbindung zum Türblatt herstellen Normen & Zulassungen NormBedeutung DIN EN 1154Türschließer — geprüft und klassifiziert DIN SPEC 1104Barrierefreie Türen — leichtes Öffnen CE-KennzeichnungKonformität nach Bauproduktenverordnung dormakaba Bodentürschließer im Vergleich ModellENBreiteBesonderheit BTS 75 V1-41.100 mmUniversal, Montagelibelle BTS 801-61.400 mmModular, bis 300 kg BTS 80 F1-61.400 mmFreilauf, modular BTS 843-61.100 mmPendeltüren, besonders flach Häufig gestellte Fragen BTS 75 V oder BTS 80?BTS 75 V: EN 1-4, bis 1.100 mm, wirtschaftlicher. BTS 80: EN 1-6, bis 1.400 mm / 300 kg, modular (Freilauf, EMB). Ist der BTS 75 V für Brandschutztüren geeignet?Ja. Nach DIN EN 1154 geprüft und für Feuer- und Rauchschutztüren zugelassen. Brauche ich eine Deckplatte?Ja. Die Deckplatte ist separat erhältlich und wird nach dem Einbau des Fertigfußbodens aufgesetzt. Kann ich den BTS 75 V für Ganzglastüren verwenden?Ja, mit entsprechendem Klemmschuh für Ganzglastüren. Gibt es den BTS 75 V mit Feststellung?Ja: BTS 75 V mit Feststellung 90° und BTS 75 V mit Feststellung 105°. Bodentürschließer oder Obentürschließer?Bodentürschließer: Verdeckter Einbau, architektonisch hochwertig, aufwändigere Montage. Obentürschließer: Einfachere Montage, sichtbar, günstiger. Kaufentscheidung Wann BTS 75 V, wann BTS 80?BTS 75 V: Für Standard-Innentüren bis 1.100 mm. BTS 80: Für schwere Türen bis 300 kg oder wenn Freilauf/Feststellanlage benötigt wird. BTS 75 V oder Obentürschließer?BTS 75 V wenn verdeckter Einbau gewünscht. Obentürschließer (TS 93, TS 98 XEA) wenn einfache Montage und Nachrüstbarkeit Priorität haben. Welches Zubehör brauche ich?Mindestens: Deckplatte, Spindel und passender Türhebel/Drehlager. Zementmörtelkasten für den Rohbaueinbau.

Regulärer Preis: 209,14 €